ЛТ 1
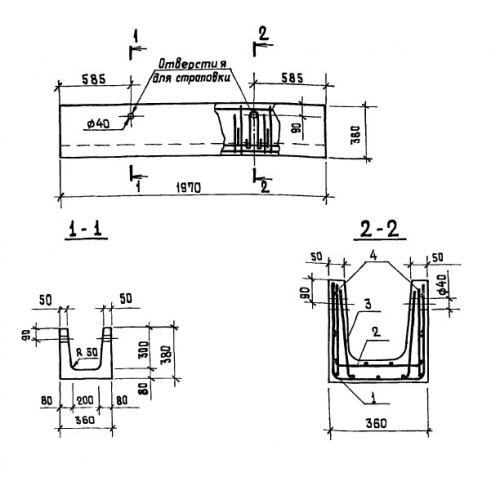
Характеристики изделия:
| Параметр | Значение |
|---|---|
| длина | 1970 мм |
| ширина | 360 мм |
| высота | 380 мм |
| вес | 350 кг |
| серия | ТП 902-2-356 |
Цена:
Рассчитать стоимостьЛТ 1 Лотки по проекту ТП 902-2-356.
| Параметр | Значение |
|---|---|
| длина | 1970 мм |
| ширина | 360 мм |
| высота | 380 мм |
| вес | 350 кг |
| серия | ТП 902-2-356 |
ЛТ 1 Лотки по проекту ТП 902-2-356.
