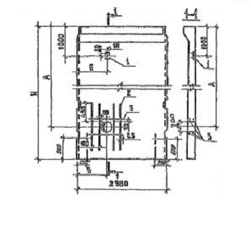
ПС 300-480-35

Чертеж изделия:
Характеристики изделия:
ПараметрЗначение
длина2980 мм
ширина350 мм
высота4800 мм
масса7300 кг
нормативный документТП 901-4-63.83

ПС 300-480-35 Панели стеновые  по Типовому проекту ТП 901-4-63.83.