ПСП 62.9.2.5

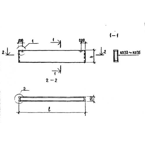
Чертеж изделия:
Характеристики изделия:
ПараметрЗначение
длина6170 мм
ширина250 мм
высота880 мм
вес1090 кг
серияТП 213-2-183

ПСП 62.9.2.5 Плиты стеновые парапетные по проекту ТП 213-2-183.