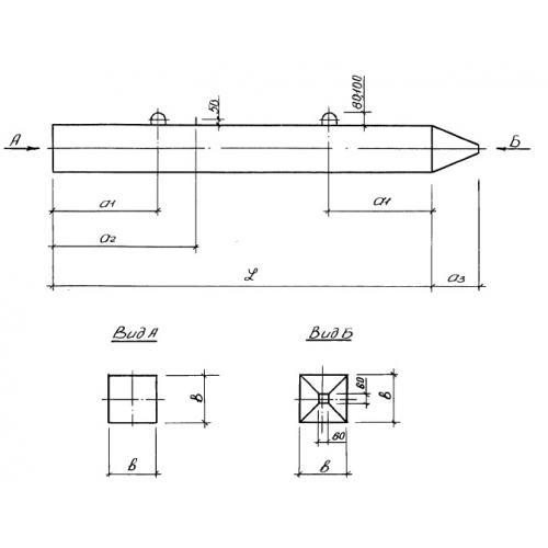
СФ 10.30

Чертеж изделия:
Характеристики изделия:
ПараметрЗначение
длина10000 мм
ширина300 мм
высота300 мм
вес2300 кг
Шифр16405

СФ 10.30 Свая сплошного квадратного сечения по Шифру 16405.