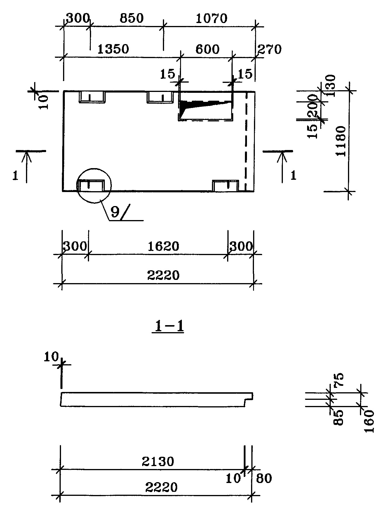
ПЛХ-9
Характеристики изделия:
| Параметр | Значение |
|---|---|
| Длина L | 2220 мм |
| Ширина В | 1180 мм |
| Высота Н | 160 мм |
| Вес | 895 кг |
| Серия | ИЖ 4.2-1 |
| Норма погрузки на машину (20тн) | 22 шт |
| Вагонная норма погрузки | - |
Цена:
Рассчитать стоимостьПлита лифтового холла ПЛХ-9 изготавливаются по чертежам серии ИЖ 4.2-1 и предназначены для возведения лестниц при строительстве жилых зданий с высотой потолка 3 метра.
