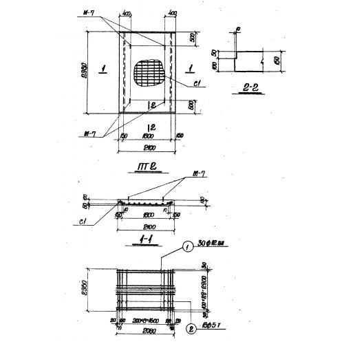
ПТ 2
Характеристики изделия:
| Параметр | Значение |
|---|---|
| длина | 2980 мм |
| ширина | 2100 мм |
| высота | 150 мм |
| вес | 2200 кг |
| серия | ИС 01-05 |
Цена:
Рассчитать стоимостьПТ 2 Плиты перекрытия по серии ИС 01-05.
| Параметр | Значение |
|---|---|
| длина | 2980 мм |
| ширина | 2100 мм |
| высота | 150 мм |
| вес | 2200 кг |
| серия | ИС 01-05 |
ПТ 2 Плиты перекрытия по серии ИС 01-05.
