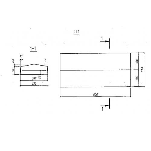
ПП 1 плиты парапетные

Чертеж изделия:
Характеристики изделия:
ПараметрЗначение
длина800 мм
ширина320 мм
высота98 мм
масса55 кг
нормативный документСерия Б 3.300.1-5.04

ПП 1 Плиты парапетные по Серии Б 3.300.1-5.04.