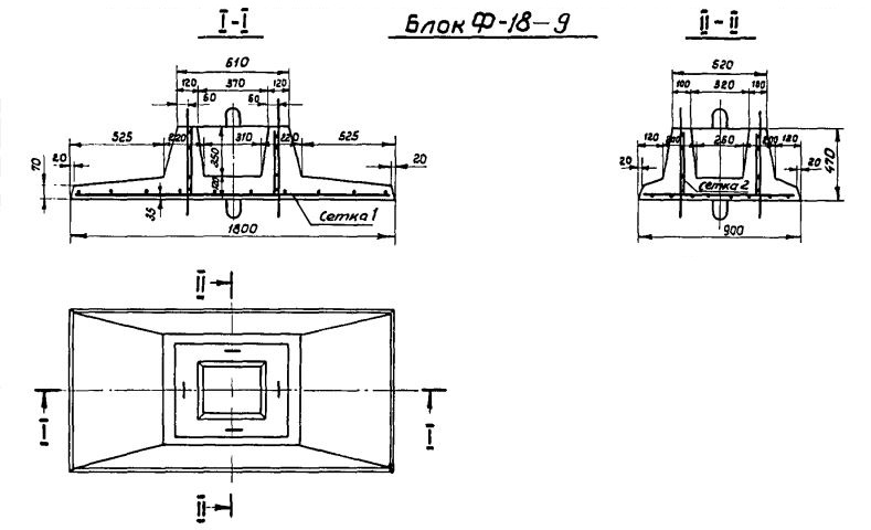
Ф 18-9

Чертеж изделия:
Характеристики изделия:
ПараметрЗначение
Длина1800 мм
Ширина900 мм
Высота470 мм
Масса665 кг
Нормативный документСерия 3.820-3

Ф 18-9  Фундаменты для лотков глубиной от 400 мм до 800 мм по Серии 3.820-3.