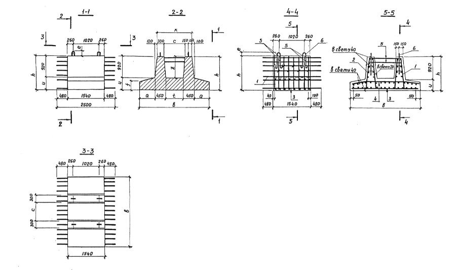
ФП-3

Чертеж изделия:
Характеристики изделия:
ПараметрЗначение
длина2500 мм
ширина2100 мм
высота1520 мм
масса7300 кг
нормативный документСерия 3.503.1-57

ФП-3  Блоки фундамента Серия 3.503.1-57.