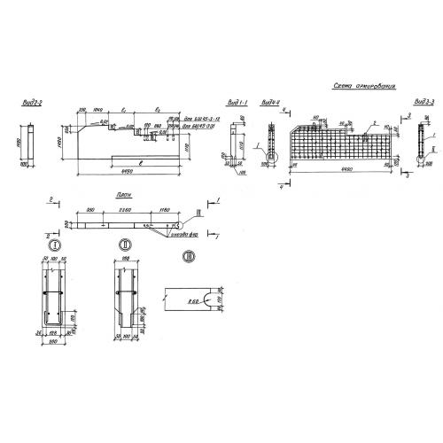
БШ 45

Чертеж изделия:
Характеристики изделия:
ПараметрЗначение
длина4490 мм
ширина1490 мм
высота200 мм
вес2840 кг
серия3.503.1-105

БШ 45 Блоки шкафных стенок по серии 3.503.1-105.