В 2

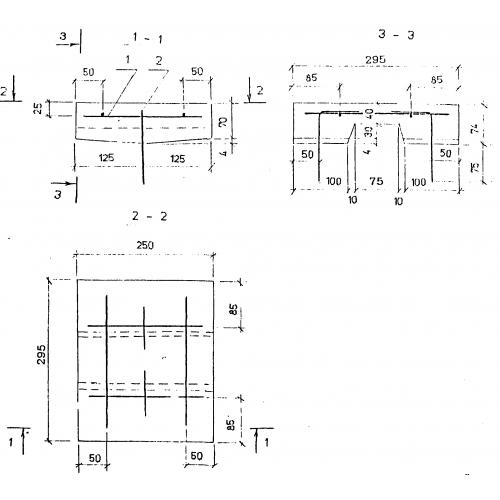
Чертеж изделия:
Характеристики изделия:
ПараметрЗначение
длина295 мм
ширина250 мм
высота74 мм
вес12,5 кг
серия3.501.1-175.93

В 2 Блоки перекрытия продольного шва по серии 3.501.1-175.93.