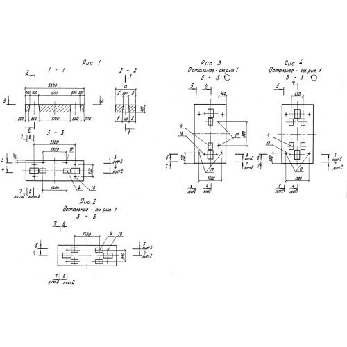
РБ ригель

Чертеж изделия:
Характеристики изделия:
ПараметрЗначение
длина3300 мм
ширина1150 мм
высота400 мм
вес3400 кг
серия3.501.1-165

РБ  Ригели для безростверковых опор по серии 3.501.1-165.