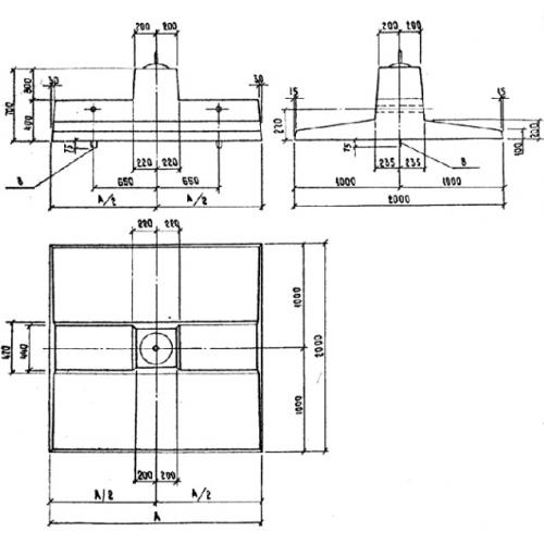
МФ 2 Малозаглубленный фундамент
Характеристики изделия:
| Параметр | Значение |
|---|---|
| длина | 2700 мм |
| ширина | 2000 мм |
| высота | 700 мм |
| масса | 2830 кг |
| нормативный документ | Серия 3.407.1-159 |
Цена:
Рассчитать стоимостьМФ 2 Малозаглубленные фундаменты по Серии 3.407.1-159.
