ПЭ 5.60.21
Характеристики изделия:
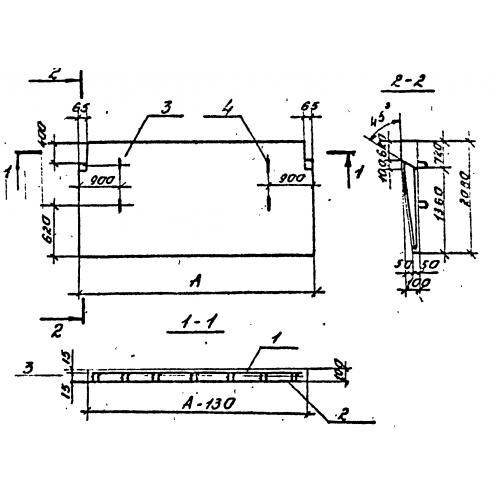
| Параметр | Значение |
|---|---|
| длина | 5980 мм |
| ширина | 100 мм |
| высота | 2080 мм |
| вес | 2280 кг |
| серия | 3.019.1-2 |
Цена:
Рассчитать стоимостьПЭ 5.60.21 Панели экрана по серии 3.019.1-2.
| Параметр | Значение |
|---|---|
| длина | 5980 мм |
| ширина | 100 мм |
| высота | 2080 мм |
| вес | 2280 кг |
| серия | 3.019.1-2 |
ПЭ 5.60.21 Панели экрана по серии 3.019.1-2.
