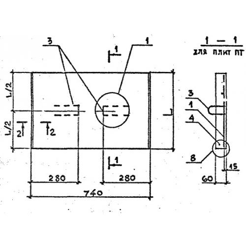
ПТ 75.45.6 плиты лотков

Чертеж изделия:
Характеристики изделия:
ПараметрЗначение
длина740 мм
ширина430 мм
высота60 мм
масса48 кг
нормативный документСерия 3.006.1-8

ПТ 75.45.6  Плиты перекрытий каналов Серия 3.006.1-8.