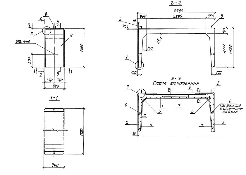
ЛК 75.300.150 лотки

Чертеж изделия:
Характеристики изделия:
ПараметрЗначение
длина740 мм
ширина2980 мм
высота1480 мм
масса1800 кг
нормативный документСерия 3.006.1-8

ЛК 75.300.150  Лотки каналов Серия 3.006.1-8.