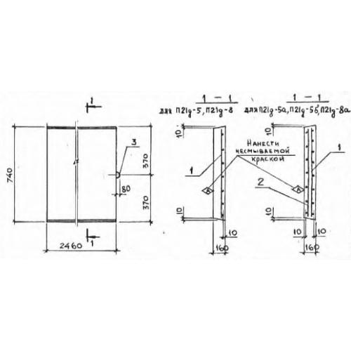
П 21 д плиты лотков

Чертеж изделия:
Характеристики изделия:
ПараметрЗначение
длина740 мм
ширина2460 мм
высота160 мм
масса730 кг
нормативный документСерия 3.006.1-2/87

П 21д Плиты перекрытия лотков доборные Серия 3.006.1-2/87.