П 3
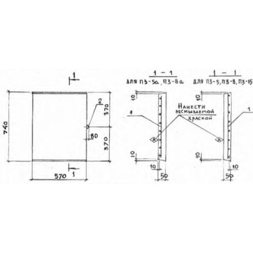
Характеристики изделия:
| Параметр | Значение |
|---|---|
| длина | 740 мм |
| ширина | 570 мм |
| высота | 50 мм |
| масса | 50 кг |
| нормативный документ | Серия 3.006.1-2/82 |
Цена:
Рассчитать стоимостьП 3 Плиты перекрытия лотков Серия 3.006.1-2/82.
| Параметр | Значение |
|---|---|
| длина | 740 мм |
| ширина | 570 мм |
| высота | 50 мм |
| масса | 50 кг |
| нормативный документ | Серия 3.006.1-2/82 |
П 3 Плиты перекрытия лотков Серия 3.006.1-2/82.
