П 16
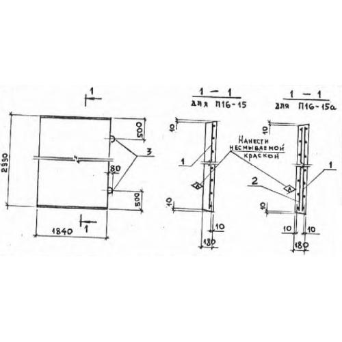
Характеристики изделия:
| Параметр | Значение |
|---|---|
| длина | 2990 мм |
| ширина | 1840 мм |
| высота | 180 мм |
| масса | 2480 кг |
| нормативный документ | Серия 3.006.1-2/82 |
Цена:
Рассчитать стоимостьП 16 Плиты перекрытия лотков Серия 3.006.1-2/82.
| Параметр | Значение |
|---|---|
| длина | 2990 мм |
| ширина | 1840 мм |
| высота | 180 мм |
| масса | 2480 кг |
| нормативный документ | Серия 3.006.1-2/82 |
П 16 Плиты перекрытия лотков Серия 3.006.1-2/82.
