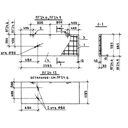
ПГ 24.12

Чертеж изделия:
Характеристики изделия:
ПараметрЗначение
длина2385 мм
ширина80 мм
высота1185 мм
вес580 кг
серия1.831.9-3

ПГ 24.12 Панели перегородок по серии 1.831.9-3.