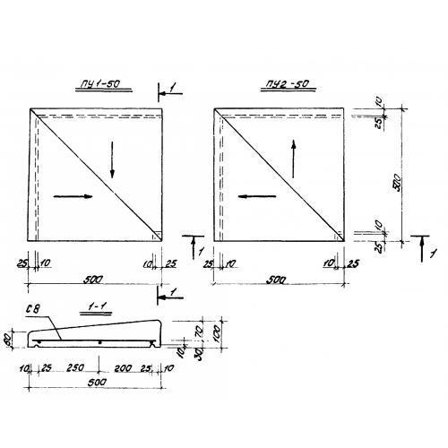
ПУ 50

Чертеж изделия:
Характеристики изделия:
ПараметрЗначение
длина500 мм
ширина500 мм
высота100 мм
вес40 кг
серия1.438-1

ПУ 50 Плиты парапетные угловые по серии 1.438-1.