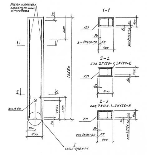
2К 126 колонны

Чертеж изделия:
Характеристики изделия:
ПараметрЗначение
длина13650 мм
ширина800 мм
высота400 мм
масса10900 мм
нормативный документСерия 1.423.1-5/88

2К 126 Колонны  Серия 1.423.1-5/88.