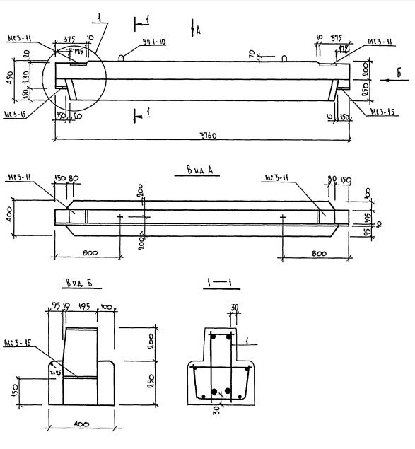
2Р 38.4.5
Характеристики изделия:
| Параметр | Значение |
|---|---|
| длина | 3760 мм |
| ширина | 400 мм |
| высота | 450 мм |
| масса | 1250 кг |
| нормативный документ | Серия 1.225.1 КЛ-3 |
Цена:
Рассчитать стоимость2Р 38.4.5 Ригели Серия 1.225.1 КЛ-3.
| Параметр | Значение |
|---|---|
| длина | 3760 мм |
| ширина | 400 мм |
| высота | 450 мм |
| масса | 1250 кг |
| нормативный документ | Серия 1.225.1 КЛ-3 |
2Р 38.4.5 Ригели Серия 1.225.1 КЛ-3.