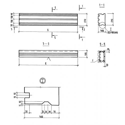
ПВ 63.6.40

Чертеж изделия:
Характеристики изделия:
ПараметрЗначение
длина6270 мм
ширина590 мм
высота400 мм
вес1010 кг
серия1.165.1-10

ПВ 63.6.40 Вентилируемые панели покрытия по серии 1.165.1-10.