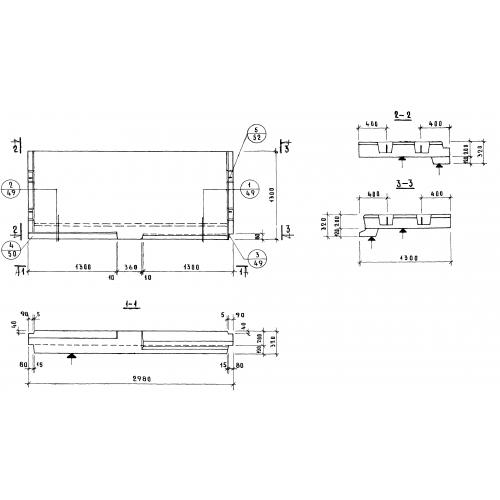
ЛП-30.12

Чертеж изделия:
Характеристики изделия:
ПараметрЗначение
длина2980 мм
ширина1300 мм
высота320 мм
вес2000 кг
серия1.152-7

ЛП-30.12 Лестничные площадки ребристые по серии 1.152-7.