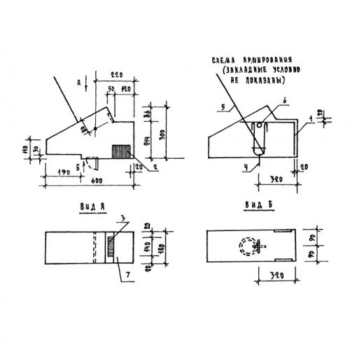
ПБ-1

Чертеж изделия:
Характеристики изделия:
ПараметрЗначение
длина600 мм
ширина180 мм
высоа300 мм
вес58 кг
серия1.133.1-7

ПБ-1 Блоки подстропильные по серии 1.133.1-7.