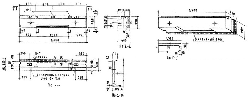
НБ-24.4.4П
Характеристики изделия:
| Параметр | Значение |
|---|---|
| Длина | 2380 мм |
| Ширина | 400 мм |
| Высота | 420 мм |
| Масса | 705 кг |
| Нормативный документ | Серия 1.133-1 |
Цена:
Рассчитать стоимостьСтеновые легкобетонные блоки толщиной 40 см по Серии 1.133-1.
НБ-24.4.4П Перемычечный блок.