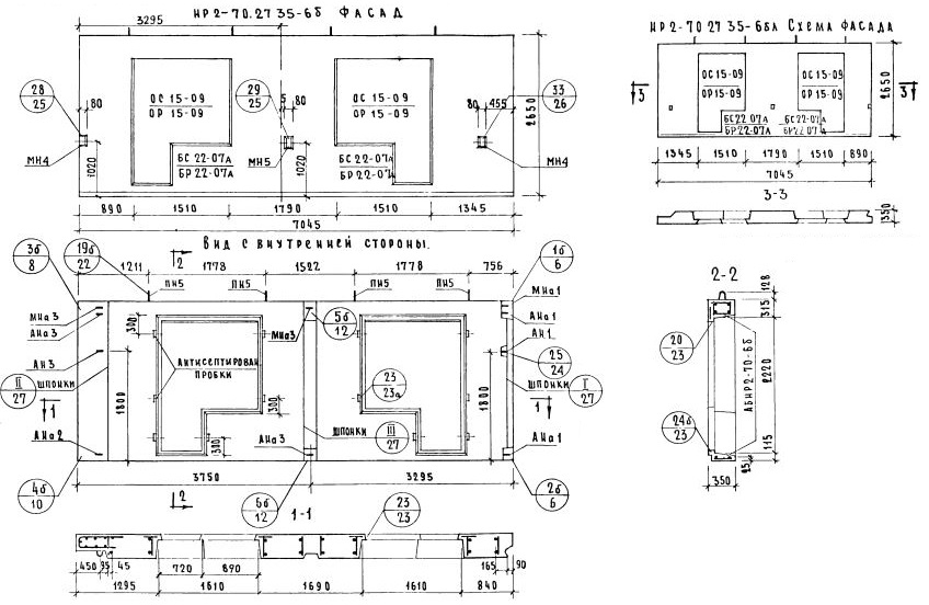
НР2-70.27.35-6б
Характеристики изделия:
| Параметр | Значение |
|---|---|
| Длина | 7045 мм |
| Ширина | 350 мм |
| Высота | 2650 мм |
| Масса | 6400 кг |
| Нормативный документ | Серия 1.132-1 |
Цена:
Рассчитать стоимостьНР2-70.27.35-6б Наружная стеновая панель рядовая по Серии 1.132-1.
| Параметр | Значение |
|---|---|
| Длина | 7045 мм |
| Ширина | 350 мм |
| Высота | 2650 мм |
| Масса | 6400 кг |
| Нормативный документ | Серия 1.132-1 |
НР2-70.27.35-6б Наружная стеновая панель рядовая по Серии 1.132-1.