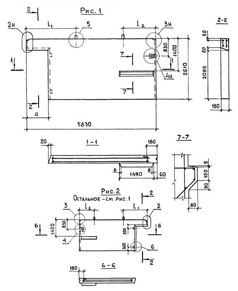
ПСВ 58.26.16-12,5т-2.3.1кл
| Параметр | Значение |
|---|---|
| длина | 5830 мм |
| ширина | 160 мм |
| высота | 2610 мм |
| масса | 5400 кг |
| нормативный документ | Серия 1.131.1-27 |
Серия 1.131.1-27
Маркировка
Марка изделия состоит из буквенно-цифровых групп, разделенных дефисом.
Первая группа содержит буквенное обозначения типа изделия (ПСВ - панель стеновая внутренняя) и её номинальные геометрические размеры (длина и высота в дециметрах с округлением, толщина в сантиметрах).
Вторая группа характеризует материал панели - класс бетона по прочности на сжатие и вид бетона (т - тяжелый).
Третья группа включает индексы, отражающие особенности конкретного изделия. Первая цифра – положение панели в плане здания (1 - панели продольных стен, 2 - панели поперечных стен и панели продольных стен, примыкающие к торцу здания). Вторая цифра – конфигурация панели ( 1 - панель без проема, 2 - панель с проемом, "П"-образная, 3 - панель с проемом у края, "Г"-образная). Третья цифра - ширина проема (1- 890 мм, 2 - 970 мм, 3 - 990 мм, 4 - 1290 мм).
к – буквенный индекс в марках панелей лестничной клетки с консольным выступом для опирания площадки справа (при взгляде на панель со стороны выступа).
При расположении консоли слева добавляется индекс "л" (кл).