ВЭ1-58-26-2-дл

Чертеж изделия:
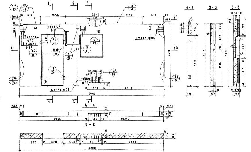
Характеристики изделия:
ПараметрЗначение
длина5800 мм
ширина200 мм
высота2610 кг
масса6220 кг
нормативный документСерия 1.131-10

Серия 1.131-10   Панели групп ВЭ1, ВЭ2, ВЭ4 длиной от 2,4 до 6 м  толщиной 200 мм.

ВЭ1-58-26-2-дл   Внутренние стеновые электротехнические панели.