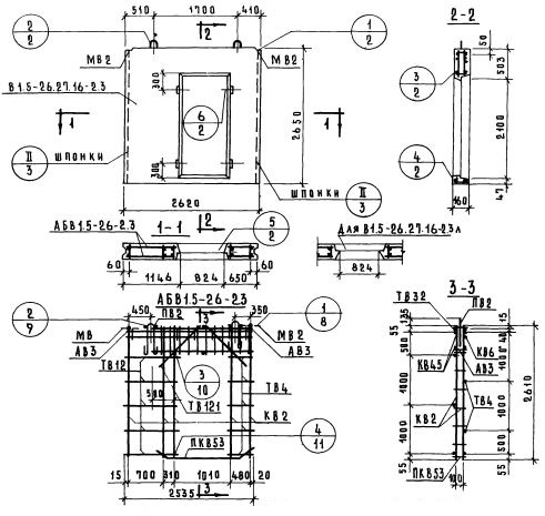
В1.5-26.27.16-2.3л
Характеристики изделия:
| Параметр | Значение |
|---|---|
| длина | 2620 мм |
| ширина | 160 мм |
| высота | 2650 мм |
| масса | 2080 кг |
| нормативный документ | Серия 1.131-1 |
Цена:
Рассчитать стоимостьВ1.5-26.27.16-2.3л Внутренние стеновые панели (Серия 1.131-1).
| Параметр | Значение |
|---|---|
| длина | 2620 мм |
| ширина | 160 мм |
| высота | 2650 мм |
| масса | 2080 кг |
| нормативный документ | Серия 1.131-1 |
В1.5-26.27.16-2.3л Внутренние стеновые панели (Серия 1.131-1).
