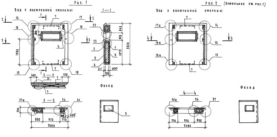
9ПСТ 25.26.35-т-2
Характеристики изделия:
| Параметр | Значение |
|---|---|
| длина | 2480 мм |
| ширина | 350 мм |
| высота | 2630 мм |
| масса | 2380 кг |
| нормативный документ | Серия 1.117.1-21 |
Цена:
Рассчитать стоимостьСерия 1.117.1-21 Трехслойная стеновая панель толщиной 350 мм.
9ПСТ 25.26.35-т-2 (рис.1)
1...9 - Группа панелей по их местоположению в плане здания.
ПСТ - тип конструкции, трехслойная стеновая панель;
Габариты изделия: длина и высота, указывается в дециметрах; толщина - в сантиметрах.
т - тяжелый бетон;
1 (2) - характер проемов (панель без проемов - 1, панель с окном - 2).
В маркировке могут быть дополнительно прописаны индексы «1» - указывает на наличие закладных деталей; «л» - левое исполнение.