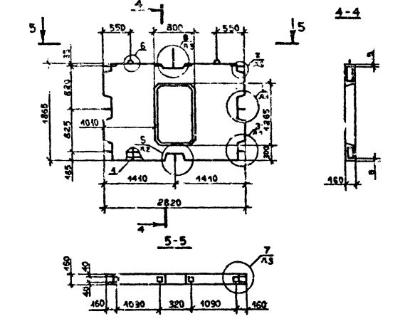
1ПВЦ 28.19-1Т-С

Чертеж изделия:
Характеристики изделия:
ПараметрЗначение
длина2820 мм
ширина160 мм
высота1865 мм
масса1580 кг
нормативный документСерия 1.090.1-2с

1ПВЦ 28.19-1Т-С  Панели внутренние нулевого цикла (цокольные) Серия 1.090.1-2с.

1Т - бетон  тяжелый марки М150.

С - для сейсмических районов.