ЛП 15-1

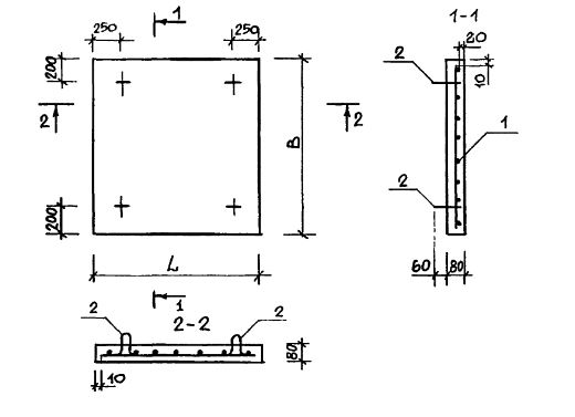
Чертеж изделия:
Характеристики изделия:
ПараметрЗначение
длина1340 мм
ширина1540 мм
высота80 мм
масса410 кг
нормативный документСерия 1.050.9-4.93

ЛП 15-1  Площадочные плиты Серия 1.050.9-4.93.