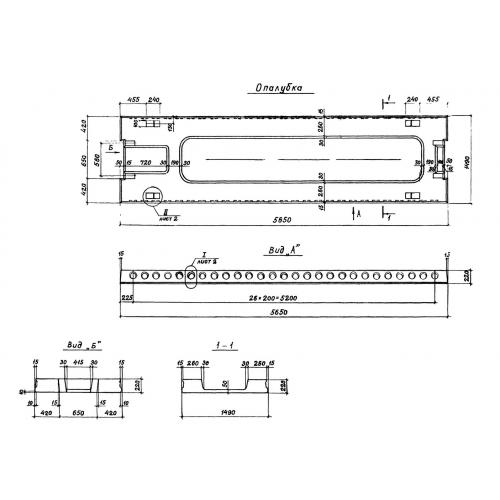
ПРС 56.15 плиты сантехнические
Характеристики изделия:
| Параметр | Значение |
|---|---|
| длина | 5650 мм |
| ширина | 1490 мм |
| высота | 220 мм |
| масса | 2950 кг |
| нормативный документ | Серия 1.041.1-3 |
Цена:
Рассчитать стоимостьПРС 56.15 Плиты ребристые сантехнические Серия 1.041.1-3.