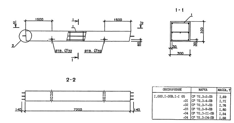
СР 72.3

Чертеж изделия:
Характеристики изделия:
ПараметрЗначение
длина7480 мм
ширина300 мм
высота300 мм
масса1880 кг
нормативный документСерия 1.020.1-3пв

СР 72.3  Связи-распорки Серия 1.020.1-3пв.