ПСЦ 46.360.25
Характеристики изделия:
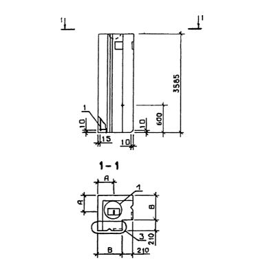
| Параметр | Значение |
|---|---|
| длина | 460 мм |
| ширина | 3585 мм |
| высота | 460 мм |
| масса | 820 кг |
| нормативный документ | Серия 1.020.1-3пв |
Цена:
Рассчитать стоимостьПСЦ 46.360.25 Панели стеновые цокольные Серия 1.020.1-3пв.
| Параметр | Значение |
|---|---|
| длина | 460 мм |
| ширина | 3585 мм |
| высота | 460 мм |
| масса | 820 кг |
| нормативный документ | Серия 1.020.1-3пв |
ПСЦ 46.360.25 Панели стеновые цокольные Серия 1.020.1-3пв.