3КНД 4.42
Характеристики изделия:
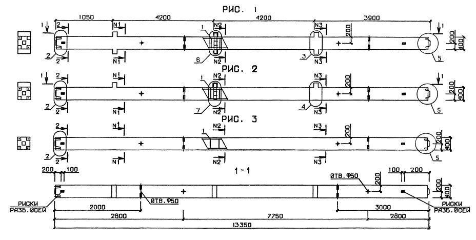
| Параметр | Значение |
|---|---|
| длина | 13350 мм |
| ширина | 400 мм |
| высота | 700 мм |
| масса | 6650 кг |
| нормативный документ | Серия 1.020.1-3пв |
Цена:
Рассчитать стоимость3КНД 4.42 Колонны нижние двухконсольные Серия 1.020.1-3пв.
| Параметр | Значение |
|---|---|
| длина | 13350 мм |
| ширина | 400 мм |
| высота | 700 мм |
| масса | 6650 кг |
| нормативный документ | Серия 1.020.1-3пв |
3КНД 4.42 Колонны нижние двухконсольные Серия 1.020.1-3пв.