3КНД 4.36
Характеристики изделия:
| Параметр | Значение |
|---|---|
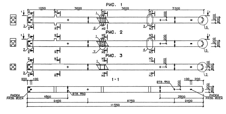
| длина | 11550 мм |
| ширина | 400 мм |
| высота | 700 мм |
| масса | 5780 кг |
| нормативный документ | Серия 1.020.1-3пв |
Цена:
Рассчитать стоимость3КНД 4.36 Колонны нижние двухконсольные Серия 1.020.1-3пв.
| Параметр | Значение |
|---|---|
| длина | 11550 мм |
| ширина | 400 мм |
| высота | 700 мм |
| масса | 5780 кг |
| нормативный документ | Серия 1.020.1-3пв |
3КНД 4.36 Колонны нижние двухконсольные Серия 1.020.1-3пв.