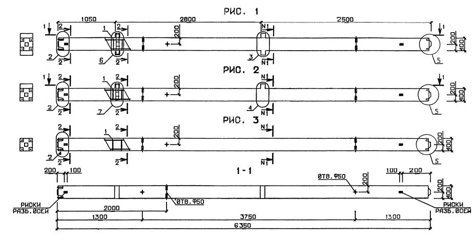
2КНД 4.28
Характеристики изделия:
| Параметр | Значение |
|---|---|
| длина | 6350 мм |
| ширина | 400 мм |
| высота | 700 мм |
| масса | 3000 кг |
| нормативный документ | Серия 1.020.1-3пв |
Цена:
Рассчитать стоимость2КНД 4.28 Колонны нижние двухконсольные Серия 1.020.1-3пв.
| Параметр | Значение |
|---|---|
| длина | 6350 мм |
| ширина | 400 мм |
| высота | 700 мм |
| масса | 3000 кг |
| нормативный документ | Серия 1.020.1-3пв |
2КНД 4.28 Колонны нижние двухконсольные Серия 1.020.1-3пв.