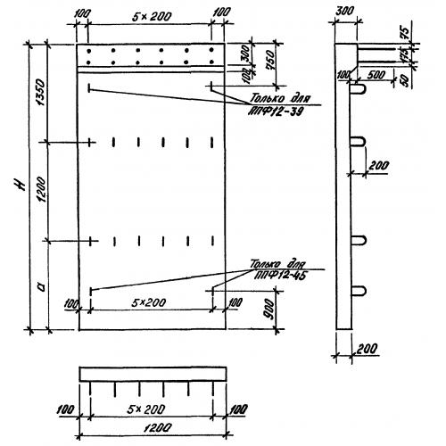
ППФ 12-39
Характеристики изделия:
| Параметр | Значение |
|---|---|
| длина | 1200 мм |
| ширина | 300 мм |
| высота | 3900 мм |
| вес | 2450 кг |
| серия | 1.012.1-3.97 |
Цена:
Рассчитать стоимостьППФ 12-39 Плиты фундаментные плоские по серии 1.012.1-3.97.
| Параметр | Значение |
|---|---|
| длина | 1200 мм |
| ширина | 300 мм |
| высота | 3900 мм |
| вес | 2450 кг |
| серия | 1.012.1-3.97 |
ППФ 12-39 Плиты фундаментные плоские по серии 1.012.1-3.97.
