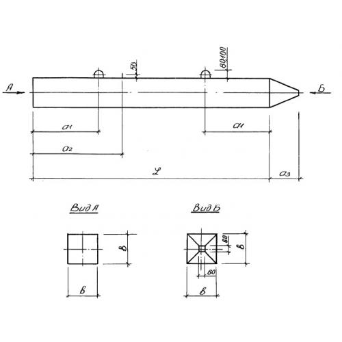
СНп 16-40
Характеристики изделия:
| Параметр | Значение |
|---|---|
| длина | 16000 мм |
| ширина | 400 мм |
| высота | 400 мм |
| масса | 6450 кг |
| нормативный документ | Серия 1.011-6 |
Цена:
Рассчитать стоимостьСНп 16-40 Сваи цельные сплошного квадратного сечения с напрягаемой арматурой из высокопрочной проволоки (Серия 1.011-6).
