МПК 1

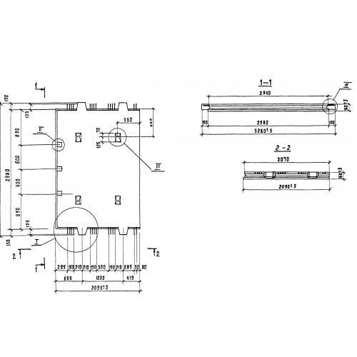
Чертеж изделия:
Характеристики изделия:
ПараметрЗначение
длина3280 мм
ширина2090 мм
высота160 мм
масса2500 кг
нормативный документГОСТ 27108-86

МПК 1  Межколонные плиты крайние ГОСТ 27108-86.