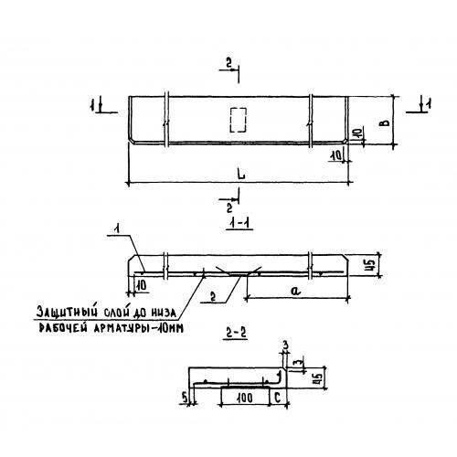
ПОО 16.15 плиты подоконные
Характеристики изделия:
| Параметр | Значение |
|---|---|
| длина | 1600 мм |
| ширина | 150 мм |
| высота | 45 мм |
| масса | 27 кг |
| нормативный документ | ГОСТ 26919-86 |
Цена:
Рассчитать стоимостьПОО 16.15 Плиты подоконные, отличаются достаточно гладкой поверхностью за счет добавления в бетонную смесь известкового вяжущего наполнителя, ГОСТ 26919-86.
