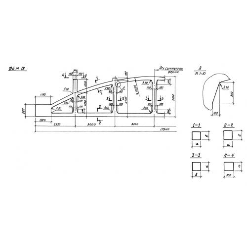
4ФБ 18
Характеристики изделия:
| Параметр | Значение |
|---|---|
| длина | 17940 мм |
| ширина | 280 мм |
| высота | 3000 мм |
| масса | 11000 кг |
| нормативный документ | ГОСТ 20213-89 |
Цена:
Рассчитать стоимость4ФБ 18 Фермы безраскосные сегментные ГОСТ 20213-89.
| Параметр | Значение |
|---|---|
| длина | 17940 мм |
| ширина | 280 мм |
| высота | 3000 мм |
| масса | 11000 кг |
| нормативный документ | ГОСТ 20213-89 |
4ФБ 18 Фермы безраскосные сегментные ГОСТ 20213-89.
